开云体育·开云官方网站

语言
当前位置:开云体育·开云官方网站 > 开云体育·开云官方网站-开云体育(中国) > 扭矩传感器 > 关节扭矩传感器

扭矩传感器 > 关节扭矩传感器

关节扭矩传感器

KWR43N10

产品介绍
适用于大多数测试环境和工业用途、机械臂关节底座、机器人关节等。
产品规格
产品型号 KWR43N10
额定量程 10 N·m
灵敏度 1.0 mV/V±20%
激励电压 5 ~ 12V
非线性 ≤0.5% F.S.
滞后 ≤0.5% F.S.
工作温度范围 0 ~ +80 ℃
安全过载 200% F.S.
极限过载 300% F.S.
侧向极限弯矩 13 N·m
轴向极限载荷 1300 N
侧向极限载荷 2000 N
扭转角度(计算) 0.052°
扭转刚度 11 kN·m/Rad
防护等级 IP65
产品重量 0.09 kg

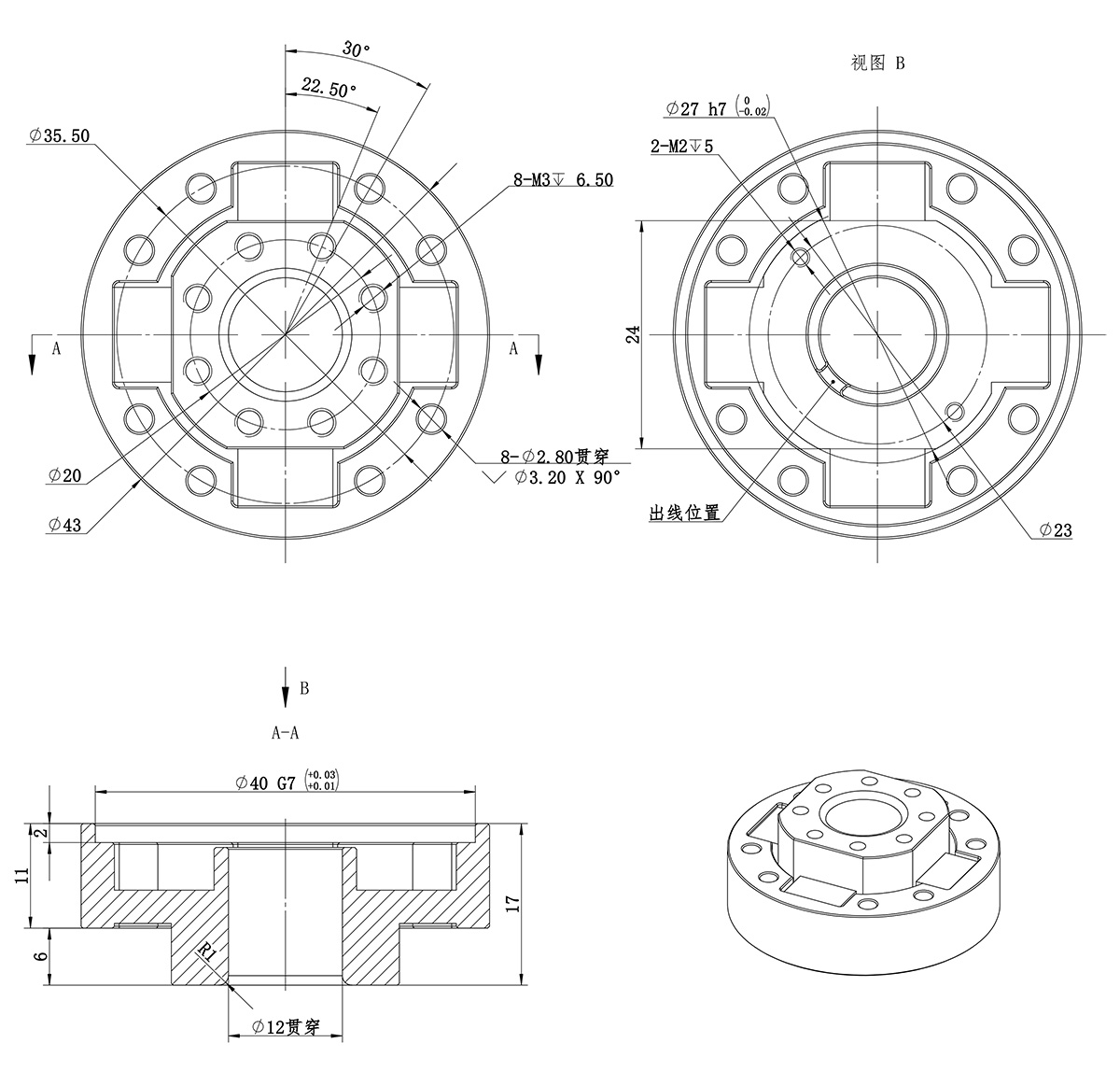
产品安装尺寸图
产品证书
X

截屏,识别二维码

微信二维码

(点击复制 微信二维码)

微信二维码已复制,请打开相关访问!
X

截屏,识别二维码

抖音二维码

(点击复制 抖音二维码)

抖音二维码已复制,请打开相关访问!
X

截屏,识别二维码

微博二维码

(点击复制 微博二维码)

微博二维码已复制,请打开相关访问!
Copyright 2025 开云体育·开云官方网站-开云体育(中国) 版权声明
技术支持:
Copyright 2025 坤维传感
X

截屏,识别二维码

手机二维码

(点击复制手机二维码)

二维码已复制,请打开相关访问!